德國JAKOB金屬波紋管聯軸器KP270
產品介紹:金屬波紋管聯軸器 KP 系列型號 易于夾緊的輪轂,易于兩側組裝 波紋波紋管-全長短-高扭轉剛度
扭矩范圍:25-900 Nm 軸直徑:10-75 mm
JAKOB金屬波紋管聯軸器KP 25 KP 35 KP 60 KP 100 KP 170 KP 270 KP 400 KP 600 KP 900
李銀
QQ:3636923259 
手機:15810543160
電話:010-64714988-222
傳真:010-64714988-668
郵件:tk6@handelsen.cn |
 |
 |
產品詳細
金屬波紋管聯軸器 KP 系列型號
•易于夾緊的輪轂,易于兩側組裝
•波紋波紋管-全長短-高扭轉剛度
•扭矩范圍:25-900 Nm
•軸直徑:10-75 mm
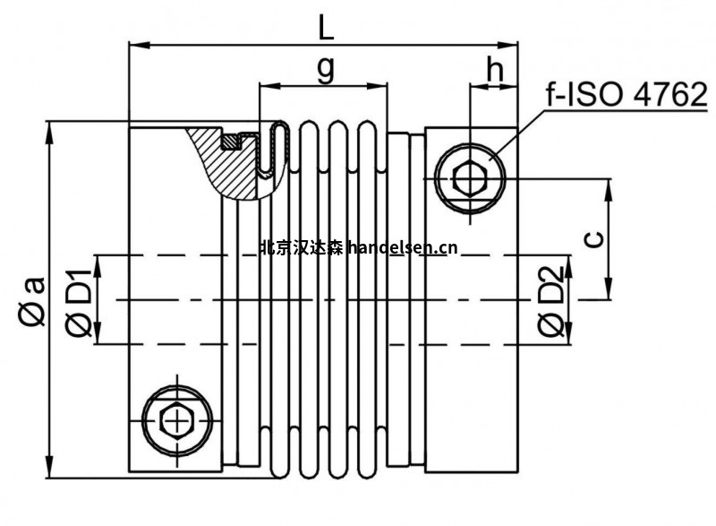
KP樣圖

KP 25
KP 35
KP 60
KP 100
KP 170
KP 270
KP 400
KP 600
KP 900
JAKOB金屬波紋管聯軸器KP 25 KP 35 KP 60 KP 100 KP 170 KP 270 KP 400 KP 600 KP 900
如需更多產品型號、技術資料,及采購需求,歡迎聯系漢達森李銀
德國JAKOB金屬波紋管聯軸器KP270