| 品牌KTR | 有效期至長期有效 | 最后更新2023-12-18 15:18 |
| 瀏覽次數15 |
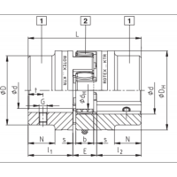
KTR聯軸器ROTEX Standard 14
扭轉撓性顎式聯軸器 ROTEX Standard 是一種帶有羽毛鍵槽的彈性體聯軸器,由于其結構簡單,價格特別低廉。
為了安裝彈性體聯軸器,只需將輪轂推到軸上,并通過固定螺釘軸向固定。
我們的柔性彈性體聯軸器ROTEX標準配有符合DIN和SAE標準的花鍵。
扭轉撓性ROTEX聯軸器適合通用,并作為柔性軸連接應用于幾乎所有通用機械和設備工程領域。
特征
用于扭轉減振動力傳輸的扭轉撓性聯軸器
低成本標準型
由耐高溫T-PUR制成的標準蜘蛛
花鍵符合DIN和SAE標準
符合ATEX標準(根據歐盟指令2014/34/EU)
彈性聯軸器的聯軸器輪轂有以下材料可供選擇:
-鋼
- 燒結鋼
-不銹鋼
- 鋁鍛制品
- 鋁壓鑄
-鑄鐵
- 球墨鑄鐵

扭轉撓性顎式聯軸器的特性:
ROTEX聯軸器由兩個輪轂(鋁或鋼)和一個由T-PUR®(彈性體)制成的蜘蛛形(彈性體環/凸輪環)組成。
T-PUR®蜘蛛的不同硬度允許調整彈性體聯軸器的阻尼水平和扭轉剛度。
ROTEX聯軸器需要很少的安裝空間,因此易于組裝/拆卸。多種類型提供了最大的靈活性,并通過各種類型的
輪轂滿足不同的安裝要求。
扭轉撓性顎式聯軸器的功能:
顎式聯軸器確保了扭轉減振動力傳輸和抵消不規則運行機器產生的沖擊。
與彈性聯軸器相比,彈性聯軸器的連接元件在彎曲時受到應力,因此會更早磨損,而ROTEX聯軸器(彈性體)
的柔性齒僅承受壓應力。因此,彈性體聯軸器的優點是可以承受更高的負載。
彈性體會隨著負載和高速而變形。必須提供足夠的擴展空間。
所有尺寸的ROTEX顎式聯軸器的最大扭轉角為5°。它們可以水平和垂直安裝。
扭轉撓性顎式聯軸器的材料:
我們的彈性體材料T-PUR®耐受高溫,使用壽命比普通聚氨酯長得多。從視覺角度來看,我們用橙
色(92 邵氏 A)、紫色(98 邵氏 A)和淺綠色(64 邵氏 D)標記了 T-PUR®(彈性體)材料。
型號
ROTEX Standard 14
ROTEX Standard 19
ROTEX Standard 24
ROTEX Standard 28
KTR聯軸器ROTEX Standard 14
| 盧歡歡 QQ:1569261908 手機:18510339394 電話:010-64714988-177 傳真:010-84786709-667 郵件:sales23@handelsen.cn |
![]() |
![]() |
工作日
9:00-18:00