| 品牌bolondi | 有效期至長期有效 | 最后更新2023-12-04 11:28 |
| 瀏覽次數2 |
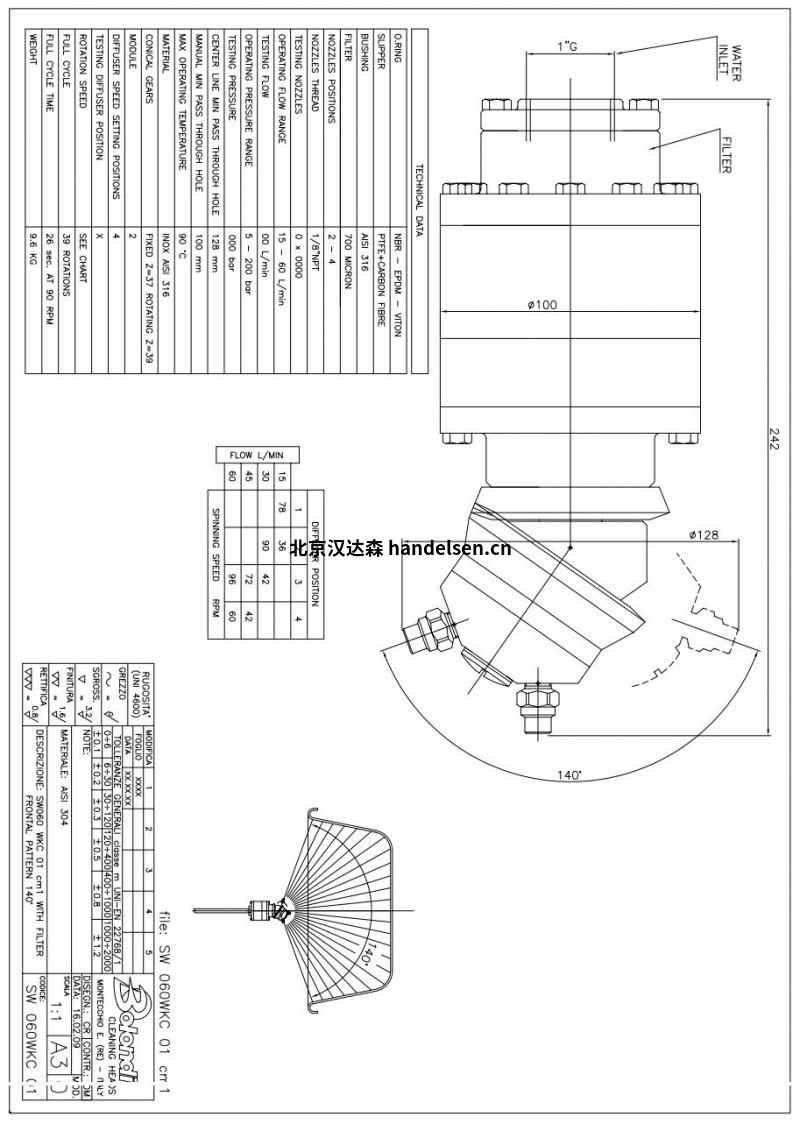
1.SW060-WKC
自旋轉清洗頭,無需任何潤滑劑 材料:Aisi 316 流量:最大 60 升/分鐘 壓力:最大 200 巴 旋轉速度:快 過濾器:是 進水口:是 噴嘴:2-4 應用:140° 扇形清洗 - 料倉清洗
2.SW060-WKE
不帶任何潤滑劑的清洗頭 材料:Aisi 316 電機:電動 壓力:最大 200 bar 轉速:慢速 過濾器:無 進水口:側面 噴嘴:2-4 應用:清洗扇形 140° - 料倉清洗
3.SW060-WKL
自動旋轉清洗頭,無需任何潤滑劑 材料:Aisi 316 流量:最大 60 升/分鐘 壓力:最大 200 巴 旋轉速度:快 過濾器:是 進水口:側面 噴嘴:2-4 應用:140° 扇形清洗 - 料倉清洗
4.TA0800
該裝置可使清洗頭 XC061-XB031-XB061 在待洗容器內的不同清洗位置上自動移動。將其連接到容器上的法蘭可以是 3" 或 4" 型三腳架,也可以根據要求采用特殊形狀。清洗頭的軸套可以是標準固定式的,也可以是氣動密封式的。橫向移動是通過一個不可逆的螺旋系統來實現的,該系統可保持預先確定的清洗位置。螺桿系統由可逆氣動馬達驅動。最大橫移行程取決于根據應用要求和待洗容器尺寸確定的設備尺寸。不同的中間位置可通過易于調節的感應傳感器預先設定。設備采用的材料是 AISI 316 不銹鋼和 PEEK 塑料,因此適用于化學、制藥和食品領域。該設備可在無潤滑油或潤滑脂的情況下工作,并可根據要求通過 ATEX 認證。在維護時,清洗頭可以輕松拆卸,無需將設備從容器中取出。
Bolondi Cleaning Heads s.n.c. di Manfredi Dante e Fabrizio 在 80 和 90 年代在清洗頭生產領域進行了大量的技術革新,這得益于與主要客戶進行認真細致的反饋后產生的生產優化過程。
如今,該公司在市場上提供全系列的低壓和高壓產品,能夠滿足所有需要適合消毒和清潔產品的公司的需求,從小容器到大環境。
我們非常注重與工業機器和設備的整合,特別是在食品、制藥、化工、釀酒、運輸、城市和建筑垃圾等行業,并使用與各種產品兼容的材料。
尤為重要的是,每個部件都經過特殊加工,再加上創新設計,使產品成為真正的珠寶,在各個方面都具有先進技術。
Bolondi Cleaning Heads s.n.c. di Manfredi Dante e Fabrizio 的首要目標是不斷創新和持續改進生產,同時保持對社會的特別關注。
認證
RoHS - RoHS 2002/95/CE 認證
PED - 2014/68/UE 認證,壓力設備指令
ISO - ISO 9001:2015 認證
ATEX - Atex 認證
FDA - FDA 認證

| 王鈳深 QQ:2455880176 手機:18510519230 電話:010-64714988-191 傳真:010-84786709-667 郵件:sales5@handelsen.cn |
![]() | ![]() |
工作日
9:00-18:00