| 品牌BAMO IER | 有效期至長期有效 | 最后更新2021-12-22 14:17 |
| 瀏覽次數36 |
德國 BAMO IER公司是一家集研發、生產和銷售為一體的大型企業,其產品主要應用于液體的測量和監測方面,在市場上享有很高的聲譽。公司注重于ph計和導電率計的快 速發展,在1990年通過液位測量方面的新發展,公司迅速擴大。德國BAMO IER的員工有豐富的工作經驗和技術知識能夠給客戶提供最優質的服務。主要是BAMO關心自己的自動化技術的組件。BAMO的一個重點是在產品中使用的水技術和周 圍。這包括機械和電子壓力傳感器,水平監測和測量設備,流量和溫度測量,軟起動器和數字顯示和控制器。對于特殊應用的各種審批手上;即ATEX(用于有爆 炸危險的環境中),GL(造船和海上使用)和VdS(使用消防器材)。

· 電阻/電導率
| 王春風 QQ:2853369886 手機:13552869098 電話:010-64717020-123 傳真:010-84786709-666 郵件:sales22@handelsen.cn |
![]() |
![]() |
· 細胞常數0.1和0.01
· 堅固可靠
· 運行方式:不銹鋼316L、PTFE和PVC
· 與我們所有的顯示設備配合使用
電導率測量(0.05 ~ 10μs)或電阻率
(10kω至30mω)在水中:
-控制雨水或徑流
-工業過程中的礦化水:
鍋爐監控
沖洗浴在表面處理中的應用
沖洗電子元件

電阻/電導率(BC-bs)對介質進行高頻、極精確的電阻測量。然后,根據探針的陽極與陰極之間的實測電阻,確定介質的電導率。
細胞常數
單元常量或其系數是探測器測量的實際值與電導率儀顯示的值之間的比率。例如,如果將細胞常數為0.1的探針浸泡在10kω液體中,探針只會測量1kω的電阻。電阻測量儀將此輸入值乘以10,從而顯示10kω。
對于高電導率(因此電阻較小)測量,應使用常數為1或10的探針(BF 1200系列–參見DOC 361)或4電極測量系統。
測量電纜-電阻
測量電纜確保探針與電阻測量裝置的導值之間的連接。選擇正確的測量電纜對于避免測量誤差至關重要。錯誤的測量電纜可能導致高達50%的測量誤差。我們提供一條特殊電纜(參考:CCA),適用于常數為0.1或0.01的所有探針。某些探針直接附帶電纜出口。電纜必須用BNC連接器連接到儀表上。電子與探針之間的簡單線路連接是一個很大的誤差源,即使在線路長度很短的情況下也是如此。
測量電纜-溫度
建議使用3x 0.22mm 2屏蔽電纜進行溫度測量。
屏蔽必須固定在地球端口的一側。
溫度平衡探頭有一個特殊的密封盒,可通過兩條傳出電纜確保完美密封。

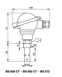
德國 BAMO IER 電阻和電導率的探針BS 1285
工作日
9:00-18:00