JAKOB 金屬波紋管聯軸器KP25
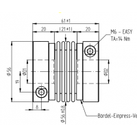
Øa=50,c=17,f=M5,g=24,h=6,L=58,D1=30G6, D2=35H6;
技術指標:
標稱扭矩:25 Nm
最大扭矩:50 Nm
扭轉剛度:4 Nm / arcmin
質量轉動慣量:0.064 10kgm²
最高 軸向軸未對準:±0.5毫米
最高 側向軸偏移:0.15毫米
軸向彈簧剛度:36 N / mm
橫向彈簧剛度:180 N / mm
工作溫度范圍:-40°至+ 200°C
允許的運行速度:最大 20,000轉
D1 / 2分鐘/最大=Ø10/Ø28mm
重量:約180克
材質設計:
波紋管:不銹鋼1.4571
花鼓:高強度鋁
夾緊螺絲:ISO 4762-FKL 12.9
壓線:黃銅
貨號:MB - 079 21019
JAKOB 金屬波紋管聯軸器KP系列
特點:
•易于夾緊的輪轂,易于兩側組裝
•4波紋波紋管-全長短-高抗扭剛度
•扭矩范圍:25-900 Nm
•軸直徑:10-75 mm

其他型號介紹
1、JAKOB 金屬波紋管聯軸器KP35:
Øa=56,c=19,f=M6,g=21,h=8,L=61,D1=28G6, D2=42H6;
技術指標:
標稱扭矩:35 Nm
最大扭矩:70 Nm
扭轉剛度:9 Nm / arcmin
質量轉動慣量:0.13 10kgm²
最高 軸向軸未對準:±0.5毫米
最高 側向軸偏移:0.2毫米
軸向彈簧剛度:70 N / mm
橫向彈簧剛度:450 N / mm
工作溫度范圍:-40°至+ 200°C
允許的運行速度:最大 14,000轉
D1 / 2分鐘/最大=Ø10/Ø32毫米
質量:約0.3公斤
材質設計:
波紋管:不銹鋼1.4571
花鼓:高強度鋁
夾緊螺絲:ISO 4762-FKL 12.9
壓線:黃銅
貨號:MB - 079 14310
2、JAKOB 金屬波紋管聯軸器KP60:
Øa=66,c=22,f=M8,g=23,h=9,L=67,D1=32G6, D2=42H6;
技術指標:
標稱扭矩:60 Nm
最大扭矩120 Nm
扭轉剛度:14 Nm / arcmin
質量轉動慣量:0.27 10kgm²
最高 軸向軸未對準:±0.6毫米
最高 側向軸偏移:0.2毫米
軸向彈簧剛度:70 N / mm
橫向彈簧剛度:650 N / mm
工作溫度范圍:-40°至+ 200°C
允許的運行速度:最大 14,000轉
D1 / 2分鐘/最大=Ø13/Ø35mm
重量:約0.4公斤
材質設計:
波紋管:不銹鋼1.4571
花鼓:高強度鋁
夾緊螺絲:ISO 4762-FKL 12.9
壓線:黃銅
貨號:MB - 079 10821
JAKOB Antriebstechnik金屬波紋管聯軸器分類:
JAKOB 金屬波紋管聯軸器KM系列:6波紋波紋管-經濟高效的標準系列;扭矩范圍:20-1,300 Nm;軸直徑:8-85 mm
JAKOB 金屬波紋管聯軸器KP系列:4波紋波紋管-全長短-高抗扭剛度;扭矩范圍:25-900 Nm;軸直徑:10-75 mm
JAKOB 金屬波紋管聯軸器KR系列:直型波紋管-更長的全長;低恢復力-高扭轉剛度;扭矩范圍:25-1,500 Nm;軸直徑:8-85 mm
JAKOB 金屬波紋管聯軸器KG系列:鋼制輪轂/焊接設計,最高溫度350°C;2或4波紋波紋管-全長短-高扭轉剛度;扭矩范圍:40-3,000 Nm;軸直徑:12-100 mm